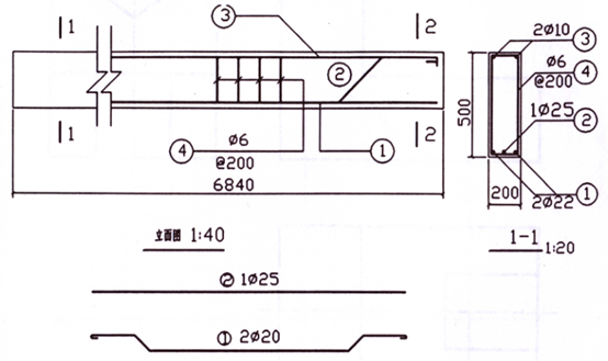
已知梁的立面图,1号、2号钢筋详图他1-1断面图,并画出3号、4号钢筋的详图,在详图上需注明钢筋编号、根数、等级和直径。

作者:高老师 浏览 2


已知梁的立面图,1号、2号钢筋详图他1-1断面图,并画出3号、4号钢筋的详图,在详图上需注明钢筋编号、根数、等级和直径。
【正确答案】:

评分标准:(1)2-2断面图8分;

(2)3号钢筋详图4分;

(3)4号钢筋详图4分。


📱 扫码体验刷题小程序

微信小程序二维码

扫一扫使用我们的微信小程序

热门题目

已复制到剪贴板