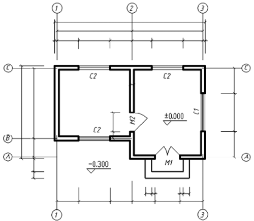
在未完成的房屋平面图中补充以下作图内容。
(1)标出定位轴线及编号;(4分)
(2)标注尺寸(不用写出尺寸数字);(4分)
(3)标注室内外地面的标高符号(室外比室内低300mm) ; (2分)
(4)画出所欠缺的窗的图例;(3分)
(5)画出所欠缺的门的图例(其中Ml为双扇平开门,M2为单扇平开门)。(3分)
【正确答案】:
在未完成的房屋平面图中补充以下作图内容。
(1)标出定位轴线及编号;
(2)标注尺寸(不用写出尺寸数字);
(3)标注室内外地面的标高符号(室外比室内低 300mm);
(4)画出所欠缺的窗的图例;
(5)画出所欠缺的门的图例(其中 M1 为双扇平开门,M2 为单扇平开门)。
评分标准:
(1)标出定位轴线及编号 4 分;
(2)标注尺寸 4 分;
(3)标注室内外地面的标高符号 2 分;
(4)画出所欠缺的门的图例 3 分;
(5)画出所欠缺的窗的图例 3 分。